Tramaco: Vorexpandierte Mikrohohlkugeln neu im Programm

09.12.2020

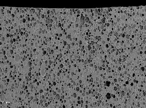
Mit Mikrohohlkugeln lassen sich homogene Schaumstrukturen einstellen (Foto: Tramaco)Mit Mikrohohlkugeln lassen sich homogene Schaumstrukturen einstellen (Foto: Tramaco)

Vorexpandierte Mikrohohlkugeln hat Tramaco (Tornesch) neu ins Programm aufgenommen. Mit Hilfe dieser ultraleichten Füllstoffe mit Dichten unter 30 kg/m³ können zellige Strukturen auch in Materialien erzeugt werden, in deren Verarbeitungsprozess expandierbare Mikrosphären oder klassische chemische Treibmittel bisher nicht genutzt werden können, verspricht das Unternehmen und zählt Beschichtungen, Duroplaste, Farben und Lacke als Anwendungsmöglichkeiten auf.

Das Unternehmen der Rowa Group (Pinneberg) bietet eine breite Palette expandierbarer Mikrosphären als Pulver und polymergebundene Masterbatches in Granulatform an. Mit expandierbaren Mikrohohlkugeln lassen sich die Eigenschaften von Materialien verändern, die aufgrund geringer Schmelzfestigkeiten nicht chemisch oder physikalisch zu verschäumen sind. 

KI Kunststoff Information

Ohne Abo weiterlesen

Lesen Sie den vollständigen Artikel kostenlos auf KIWeb.de. Einfach registrieren –
ohne Abonnement, ohne Kosten.

Vollständigen Artikel kostenlos auf KIWeb.de lesen


Oder testen Sie direkt das KI Abo für 7 Tage kostenlos

Das Abonnement von KI Kunststoff Information hält Sie täglich mit exklusiven Branchennachrichten, Marktanalysen und Polymerpreis-Reports auf dem neuesten Stand.

KI Kunststoff Information jetzt kostenlos testen

© KI – Kunststoff Information, Bad Homburg

Weitere Meldungen

mehr

Aktuelle Stellenangebote für die Kunststoffindustrie

Thema "Force Majeure"

Force Majeure in der Kunststoffindustrie: Fragen und Antworten
Force Majeure in der Kunststoffindustrie

Fragen und Antworten: Was Kunst­stoff­verarbeiter wissen müssen, wenn der Lieferant nicht mehr liefert – Informationen zum Themenkomplex Force Majeure, Corona und Kunststoff-Preisentwicklung sowie Tipps für die Praxis.

Jetzt lesen
Radici

Newsletter

KunststoffWeb Newsletter
Die wichtigsten Nachrichten und Neuigkeiten aus der Kunststoffbranche – jeden Tag brandaktuell!

Bitte gültige E-Mail-Adresse eingeben. Ich habe die Datenschutzbestimmungen zur Kenntnis genommen und akzeptiere diese.

KI Polymerpreise

KI Polymerpreise
  • 100 Zeitreihen für den Polymermarkt
  • Charts und Datentabellen
  • Preis-Indizes
  • Marktreports und Marktdaten
Jetzt kostenlos testen

Material-Datenbanken

Material-Datenbanken zu Kunststoffen und Additiven
Recherchieren Sie rund 150.000 technische Datenblätter aus den Bereichen Kunststoffe, Elastomere und Additive.

Alle Funktionen und Services der Material-Datenbanken sind kostenlos zugänglich. Kontaktieren Sie unverbindlich Lieferanten und bestellen Sie Muster zu tausenden Werkstoffen.

Technische Datenblätter Kunststoff
Technische Datenblätter Kunststoff-Additive
© 1996-2025 Kunststoff Information Verlagsgesellschaft mbH, Bad Homburg